The MCP4725A0T-E/CH is a low-power single-channel 12-bit Digital-to-Analog Converter (DAC) with an integrated EEPROM. It features a buffered voltage output and a built-in precision amplifier that enables rail-to-rail output swing. Thanks to its nonvolatile memory, the DAC can retain configuration and input data even when powered off, allowing the output to be immediately available upon power-up.
Designed with reliability in mind, the MCP4725A0T-E/CH includes a Power-on-Reset (POR) circuit and an on-board charge pump for EEPROM programming voltage. It operates through a two-wire I²C interface that supports standard, fast, and high-speed modes. An external A0 address pin offers flexible device addressing by connecting it to VDD or VSS. In power-down mode, the output amplifier can be set to provide low, medium, or high resistance to optimize power management.
MCP4725A0T-E/CH Specification Table
Parameter | Value |
Part Number | MCP4725A0T-E/CH |
Description | IC DAC 12BIT W/I2C SOT23A-6 |
Detailed Description | 12 Bit Digital to Analog Converter 1 SOT-23-6 |
Lead Free Status / RoHS Status | Lead free / RoHS Compliant |
Output Type | Voltage - Buffered |
Number of Bits | 12 |
Package / Case | SOT-23-6 |
Number of D/A Converters | 1 |
Operating Temperature | -40°C ~ 125°C |
Mounting Type | Surface Mount |
Data Interface | I²C |
Meta Part Number | MCP4725A0T-E/CHTR-ND |
Moisture Sensitivity Level (MSL) | 1 (Unlimited) |
Voltage - Supply, Digital | 2.7 V ~ 5.5 V |
Reference Type | Supply |
Base Part Number | MCP4725A0 |
Packaging | Tape & Reel (TR) |
Settling Time | 6µs (Typ) |
Architecture | String DAC |
Manufacturer Standard Lead Time | 17 Weeks |
INL/DNL (LSB) | ±2, ±0.2 |
Supplier Device Package | SOT-23-6 |
Differential Output | No |
MCP4725A0T-E/CH Pinout

Here are the information of MCP4725A0T-E/CH DAC below:
Pin 1 – VOUT: DAC analog voltage output to support rail-to-rail output capability.
Pin 2 – VSS: Ground (GND). Reference ground for all signals.
Pin 3 – VDD: Power supply input. Powers the device and serves as the DAC reference voltage.
Pin 4 – SDA: I²C serial data input/output pin. Used for transferring DAC data and EEPROM configuration.
Pin 5 – SCL: I²C serial clock input pin.
Pin 6 – A0: Address selection pin. By connecting to VDD or VSS, different I²C device addresses can be set for multi-device applications on the bus.
MCP4725A0T-E/CH Advantages and Limitations
Advantages
High-Resolution Accuracy
12-bit resolution with ±0.2 LSB typical DNL ensures precise and stable analog signal output.
On-Board EEPROM
Integrated nonvolatile memory saves DAC settings, enabling instant output recovery after power-up.
Fast & Efficient
Typical 6 µs settling time with low power consumption makes it ideal for responsive, energy-sensitive applications.
Flexible I²C Interface
Supports Standard, Fast, and High-Speed modes (up to 3.4 Mbps) with up to 8 device addresses for versatile system integration.
Compact & Reliable Design
Available in small 6-lead SOT-23 and DFN packages with an extended temperature range of -40°C to +125°C, ensuring durability in demanding environments.
Limitations

Fixed Voltage Reference (VDD Only)
The device uses VDD as its reference voltage, which may limit accuracy in applications that require a stable or external precision reference.
Single-Channel Output
As a single-channel DAC, it cannot handle multiple independent analog outputs, making it less suitable for multi-channel systems.
Limited Resolution for High-Precision Needs
While 12-bit resolution is sufficient for many applications, it may not meet the requirements of ultra high-precision designs that demand 14-bit or 16-bit DACs.
MCP4725A0T-E/CH Application Fields
1.Set Point or Offset Trimming
With its 12-bit resolution and EEPROM data retention, the MCP4725A0T-E/CH is well-suited for precise set point adjustment and offset trimming, such as:
l Gain and offset calibration in amplifiers
l Voltage reference adjustment in analog circuits
l Fine-tuning output levels in control systems
2. Sensor Calibration
The DAC enables accurate calibration of various sensors by compensating measurement drift or offset, making it ideal for:
l Temperature sensor calibration in HVAC systems
l Pressure sensor calibration in industrial equipment
3. Closed-Loop Servo Control
Fast settling time and rail-to-rail output allow the MCP4725A0T-E/CH to be applied in servo systems requiring precise feedback control, such as:
l Servo motor position controllers
l Robotic arm movement calibration
l Actuator feedback regulation
4. Low Power Portable Instrumentation
Its low power consumption and small package make it a strong choice for portable devices, such as:
l Handheld test instruments
l Battery-powered calibration tools
5. PC Peripherals
The MCP4725A0T-E/CH integrates easily into PC peripheral devices requiring voltage adjustment or control, such as:
l Printer head calibration circuits
l Monitor brightness and contrast controllers
6. Data Acquisition Systems
High accuracy and I²C communication compatibility make it ideal for measurement and control systems, such as:
l DAQ boards requiring precise analog reference
l Multi-channel sensor acquisition modules
l Laboratory testing and measurement equipment
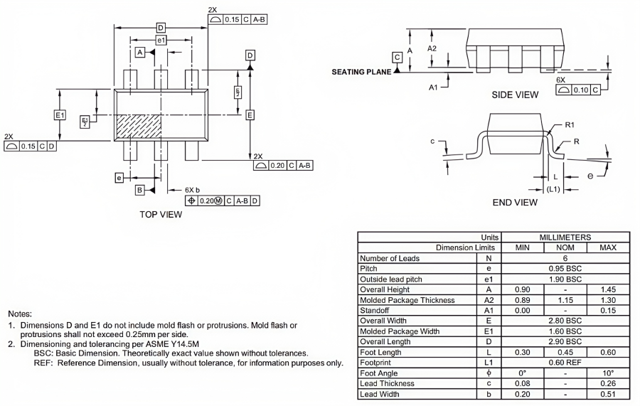
MCP4725A0T-E/CH Package
The MCP4725A0T-E/CH is offered in a 6-lead SOT-23 package. The package features a standard 0.95 mm pitch with outside lead pitch control and a nominal overall height of 1.00 mm (max 1.45 mm). Its molded body dimensions are optimized for PCB assembly, with an overall length of 2.90 mm and width of 1.60 mm, ensuring compatibility with automated pick-and-place equipment.
The leads are formed with a gull-wing configuration to support reliable surface mounting. Each lead has a foot length between 0.30 mm to 0.60 mm, thickness between 0.08 mm to 0.22 mm, and width of 0.20 mm to 0.51 mm, providing stable solder joints and good electrical contact. The package complies with industry-standard tolerances (ASME Y14.5M), making it suitable for robust PCB designs in industrial, consumer, and portable electronics.

FAQs
What is the MCP4725A0T-E/CH?
The MCP4725A0T-E/CH is a single-channel 12-bit Digital-to-Analog Converter with an I²C interface and on-board nonvolatile memory (EEPROM).
What are the main advantages of this DAC?
Key benefits include 12-bit resolution, rail-to-rail output, low power consumption, and a small SOT-23-6 ideal for space-limited applications.
Does the MCP4725 retain its DAC output after power-off?
Yes. Thanks to the integrated EEPROM, it can store DAC settings and restore them immediately after power-up.
ANDESOURCE: Your Trusted Partner in Electronic Component Sourcing
ANDESOURCE simplifies the process of sourcing electronic components by providing solutions designed specifically for your requirements. We collaborate closely with you to find components that meet your exact specifications. Thanks to our strong partnerships with top manufacturers, we offer high-quality parts at competitive prices. Each component is carefully inspected, and our prompt, dependable delivery ensures your projects stay on track.
Rely on ANDESOURCE for efficient, customized component sourcing. Don't hesitate to contact us for your project!

